搜集、分享
分享一切想分享的
知识架构
🛅代码相关
🎋防爆知识
✨防雷防静电
常用查询
🏜图纸
📙说明书
🧑⚖法律法规
menu
skyline的知识库
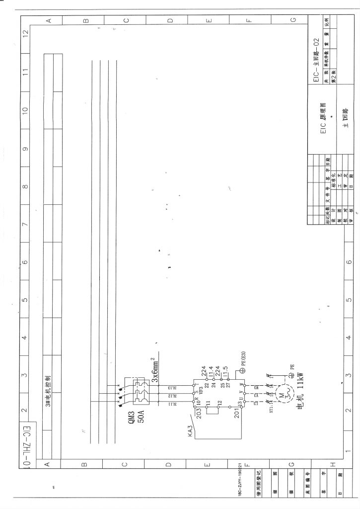
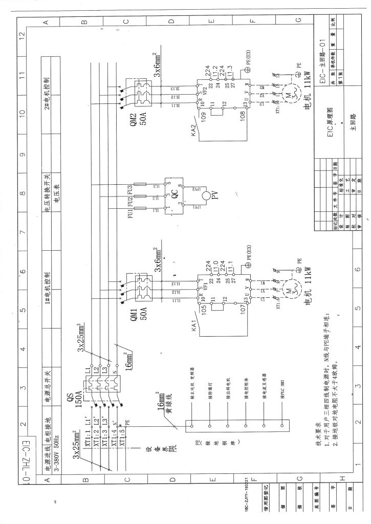
离心机控制柜01
作者的基本信息
🎓
注册安全工程师、机电工程师,某大型医药化工企业10年电气维护和安全防爆经验。欢迎交流探讨ch_sqb@163.com
🎓
生成分享图
分享到 微博
分享到 微信
分享到 QQ
分享到 QQ 空间
没有标签
2023-04-24
首页
•
aaaaaaa
•
离心机控制柜01
admin
文章作者
skyline的知识库
离心机控制柜01
扫描二维码继续阅读
2023-04-24
没有激活的小工具